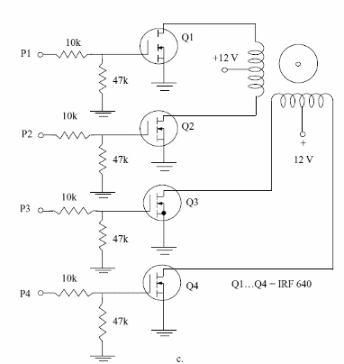
Este circuito de control de motor de paso de cuatro fases (shield) utiliza transistores MOSFET de potencia, con capacidad de corriente de acuerdo con el motor usado. Los MOSFET se deben montar en radiadores de calor y la señal de entrada debe tener al menos 2 V de amplitud. El circuito es del libro de Newton C. Braga Mechatronics Sourcebook publicado en los Estados Unidos.




