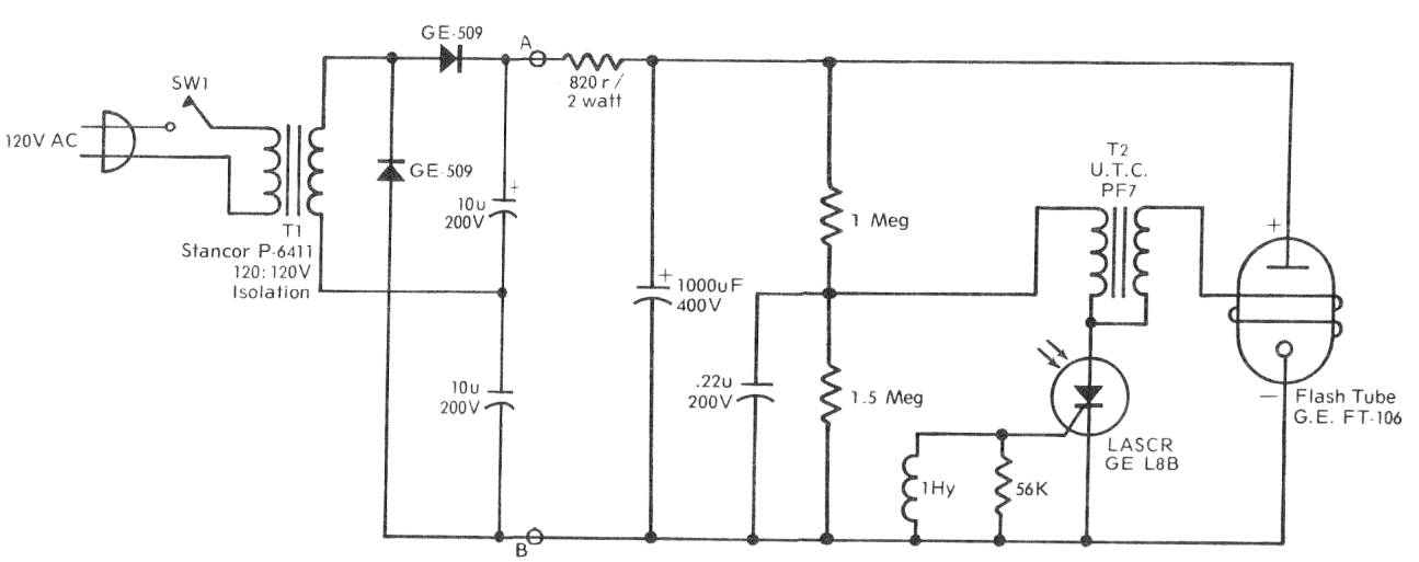
He obtenido este circuito de un antiguo manual de tiristores de 1974. El circuito se puede implementar con una foto SCR. En la falta de este componente se puede un SCR común y eliminar el choque en la puerta, conectando un LDR entre este punto y la línea positiva de alimentación, eventualmente con un potenciómetro de ajuste. Y con diodos 1N4004 o 1N4007. El transformador T1 es de aislamiento con primario y secundario de 110 V mientras que T2 se enrolla en un bastón de ferrita. El primario tiene de 20 a 40 espiras de hilo 28 y el secundario de 500 a 1000 espiras de hilo 32 o más fino.




