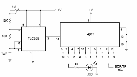
En la salida de este circuito secuencial CMOS podemos conectar LED o etapas de potencia con SCRs, transistores, etc. La alimentación puede ser hecha con tensiones de 5 a 12 V y el TLC555, versión CMOS del 555 puede ser sustituido por un 555 convencional. El ajuste de la velocidad del efecto se hace en el trimpot o el potenciómetro de 1 M. El circuito es del libro CMOS Sourcebook de Newton C. Braga, publicado en los Estados Unidos.




