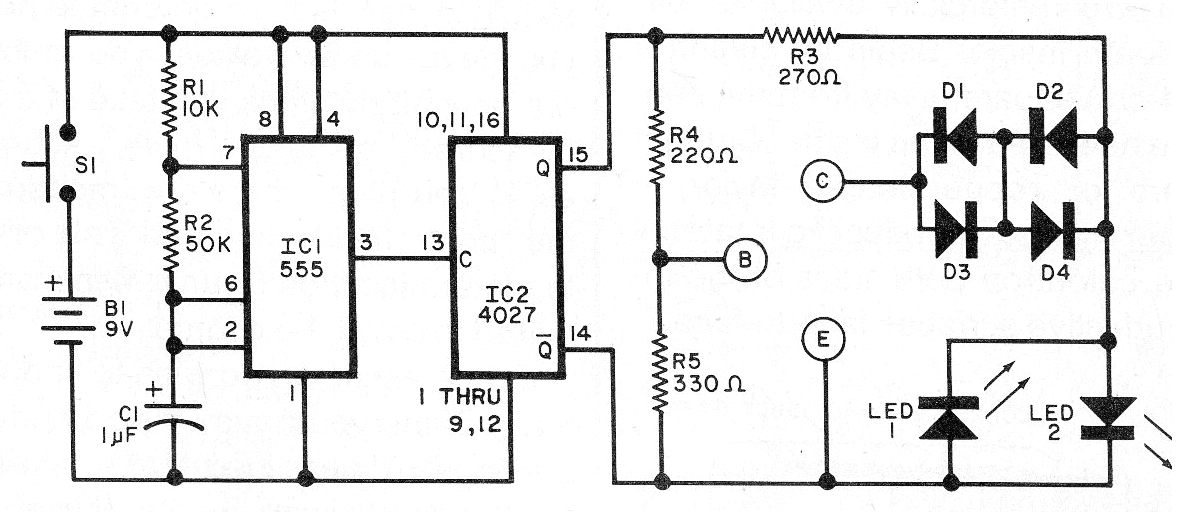
He encontrado este circuito en un Electronics Experimenter Handbook de 1992. El circuito se puede montar fácilmente hoy, ya que todos los componentes son comunes. Lo que hace es probar un transistor, identificando su tipo de una forma directa sin el uso de claves conmutadoras. Los diodos son de uso general 1N4148 o equivalentes.




