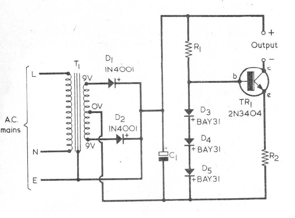
Este circuito fue encontrado en una Radio Electronics Constructor, revista inglesa de junio de 1976; La revista ya no se publica, pero el circuito se puede montar con facilidad don un BD135 en lugar del transistor original El circuito sirve para células pequeñas, medianas y grandes. El transistor debe estar dotado de radiador de calor. Los diodos pueden ser el 1N4148.




