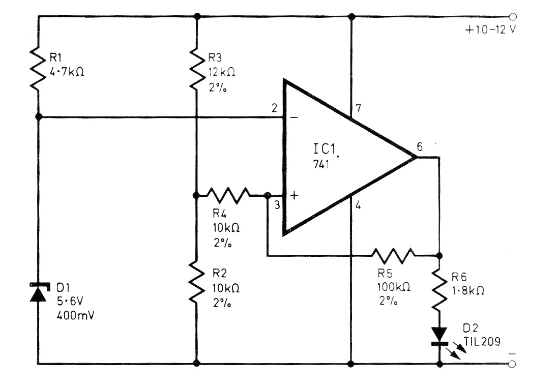
Este circuito fue obtenido en una revista de 1977, pero aún puede ser montado con facilidad, pues los componentes son comunes. El circuito indica el estado de una batería, haciendo que el LED se encienda cuando la tensión cae por debajo de 10 V. Otros valores se pueden utilizar como referencia con el cambio de R1 y / o del zener. El circuito es baterías de Nicad de 12 V.




