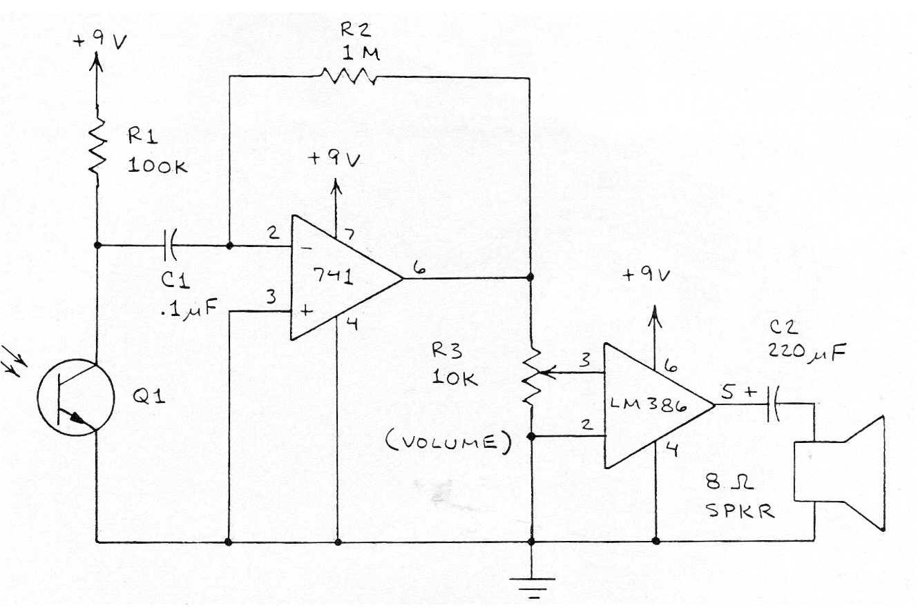
El circuito que presentamos fue obtenido en una Modern Electronics de noviembre de 1989. La revista ya no existe, pero el circuito es actual por los componentes que usa. Este circuito recibe luz modulada en amplitud con una señal de audio, en un enlace o intercomunicador de audio, reproduciendo el sonido en un auricular o altavoz conectado en la salida. Las funciones ópticas junto al foto-transistor ayudan en la obtención de directividad y sensibilidad. El foto-transistor puede ser de cualquier tipo.




