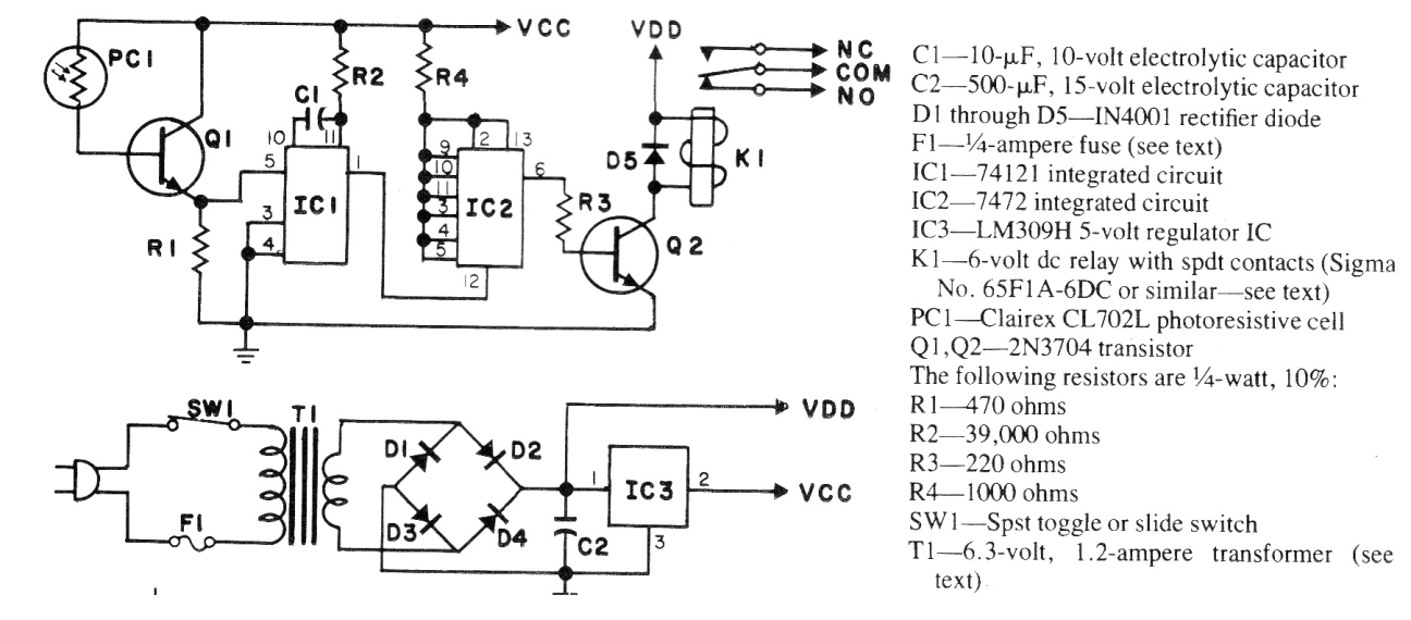
Este circuito fue encontrado en el Electronic Experimenters Handbook, edición de 1988. La revista ya no existe, pero el circuito se puede montar con transistores más modernos. Q1 y Q2 pueden ser BC548 y PC1 cualquier LDR común. Observe que el circuito tiene un sector TTL que debe ser alimentado con 5 V (Vcc).




