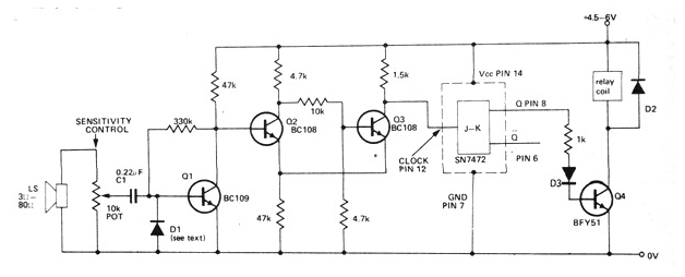
Este circuito es de una revista de 1975, pero se puede montar fácilmente con transistores BC548 en lugar de los BC108, BC549 en lugar del BC109 y BD135 en lugar del BFY51. El micrófono puede ser un pequeño altavoz o una cápsula magnética. La tensión de alimentación depende del relé utilizado.

Llave de dos vías operada por sonido



