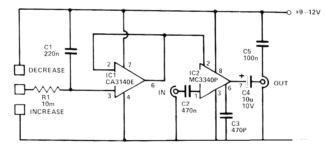
Este circuito fue publicado en una revista de 1979, pero puede ser montado con facilidad pues los componentes son comunes. La fuente debe ser aislada (con transformador) y los cables de entrada y salida de audio deben ser blindados. Los cables para los sensores de tacto deben ser muy cortos. IC2 puede ser un CA3140 también.




