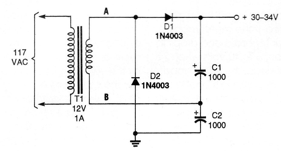
He encontrado este circuito en una Popular Electronics de noviembre de 1993. Le permite utilizar un transferencia de 12 V x 1 A en una fuente de 30 a 34 V con corriente máxima de 200 o 300 mA. Los diodos admite equivalentes como los 1N4004.
He encontrado este circuito en una Popular Electronics de noviembre de 1993. Le permite utilizar un transferencia de 12 V x 1 A en una fuente de 30 a 34 V con corriente máxima de 200 o 300 mA. Los diodos admite equivalentes como los 1N4004.