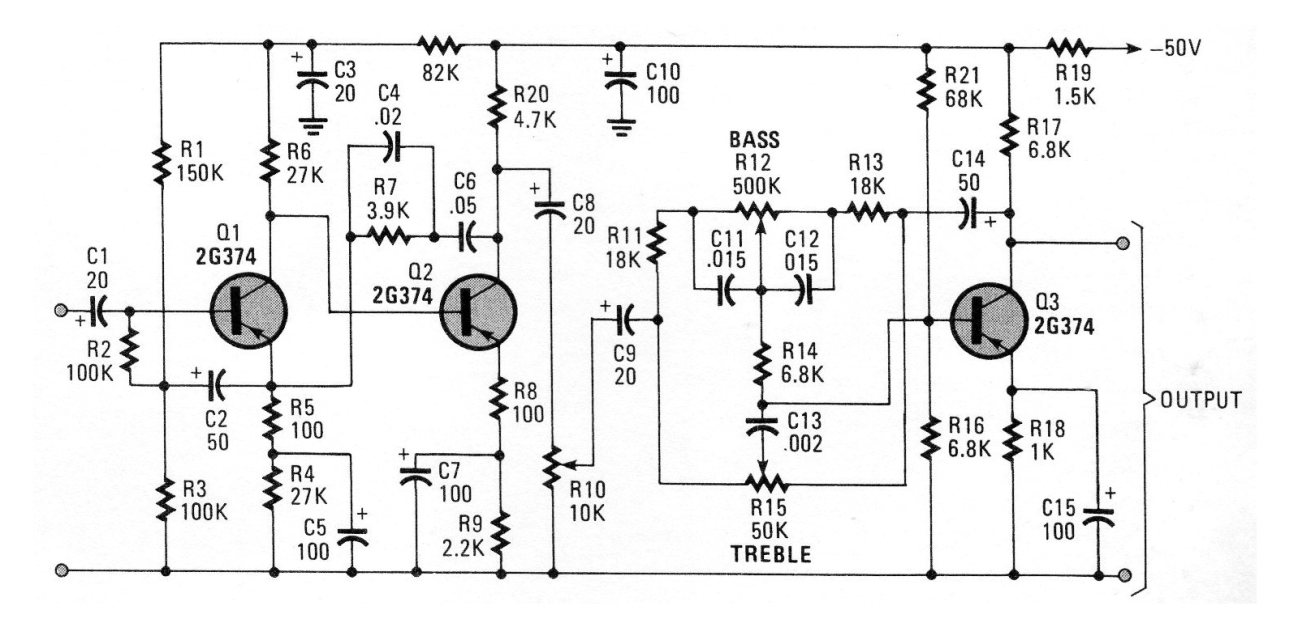
Este circuito es de una Popular Electronics de 1993. La revista ya no se imprime, pero el circuito se puede implementar con transistores BC557. El circuito incluye un control de graves y agudos del tipo Baxandall y tiene excelente ganancia. Los cables de entrada y salida de audio deben ser blindados. La tensión de alimentación es realmente elevada debido a las características del circuito, aunque su consumo es muy bajo.




