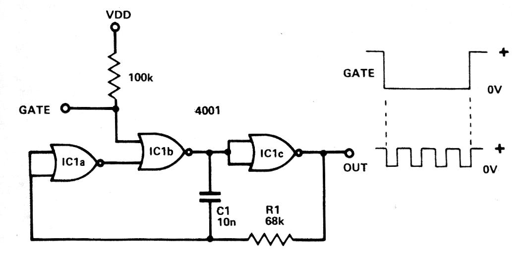
Si bien es una configuración común todavía hoy, estos circuitos se han retirado de una publicación antigua. El circuito muestra cómo conectar las puertas de un 4001 como inversores, para obtener un oscilador disparado. Vea en la sección de matemáticas cómo calcular la frecuencia de este tipo de circuito.




