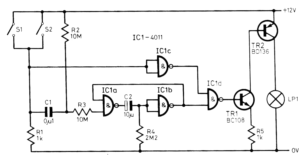
Este circuito fue encontrado en una revista inglesa de 1980. Este circuito temporiza por algunos segundos la luz interna del coche, cuando la puerta está cerrada, dando tiempo para que el pasajero se adapte. El tiempo puede ser modificado por el cambio del capacitor C2. El BC108 puede ser sustituido por el BC548. Vea en la sección de informaciones el pinado del 4011.




