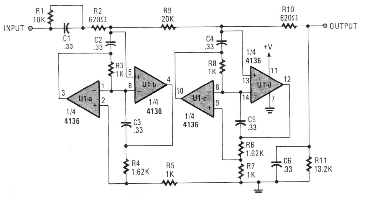
Filtro Butterworth Pasa Bajas (CIR9972S)
Este circuito se ha encontrado en una Popular Electronics de septiembre de 1992 La revista ya no existe, pero el circuito puede ser todavía montado, ya que los componentes son comunes. El funcionamiento puede ser reemplazado por equivalentes y la frecuencia básica depende de los capacitores. El circuito integrado indicado es un 741 cuádruple.




