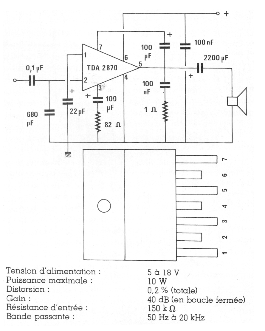
El circuito tradicional fue retirado de una revista francesa Radio Plans que ya no existe, pero puede ser montado desde que se encuentre el CI, que no es muy común. La potencia de salida depende de la tensión de alimentación.

 

Amplificador de 10 W con el TDA2870
Amplificador de 10 W con el TDA2870 | Haga click en la imagen para ampliar |