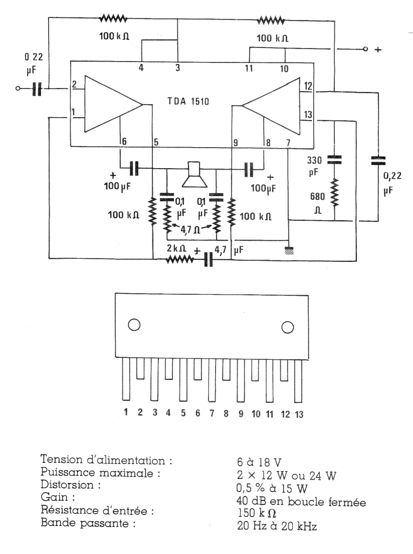
El circuito tradicional fue retirado de una revista francesa Radio Plans que ya no existe, pero puede ser todavía montado pues el CI utilizado todavía puede ser encontrado. La potencia de salida depende de la tensión de alimentación.
El circuito tradicional fue retirado de una revista francesa Radio Plans que ya no existe, pero puede ser todavía montado pues el CI utilizado todavía puede ser encontrado. La potencia de salida depende de la tensión de alimentación.