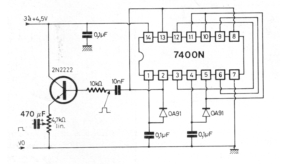
Este circuito fue obtenido en una revista francesa Eletronique Practique de noviembre de 76, pero puede ser montado con facilidad con transistores BC548. El circuito debe ser alimentado con 5 V, pues se trata de tecnología TTL. La frecuencia es dada por los capacitores, que pueden ser alterados.




