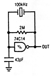
Este circuito fue obtenido en un Electronics Handbook de 1991. La publicación ya no existe, pero este circuito todavía es útil pudiendo oscilar en frecuencias de hasta algunos megahercios. La señal es rectangular, sirviendo de reloj para circuitos TTL.

Oscilador a Cristal TTL 74C14



