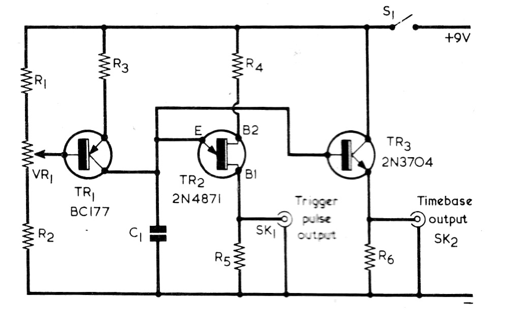
Este circuito fue encontrado en una Radio Electronics Constructor, revista inglesa de abril de 1976; La revista ya no se publica, pero el circuito se puede montar fácilmente con transistores BC558 para TR1, 2N2646 paraTR2 y BC548 a TR3. El rango de frecuencias es determinado por el capacitor.





