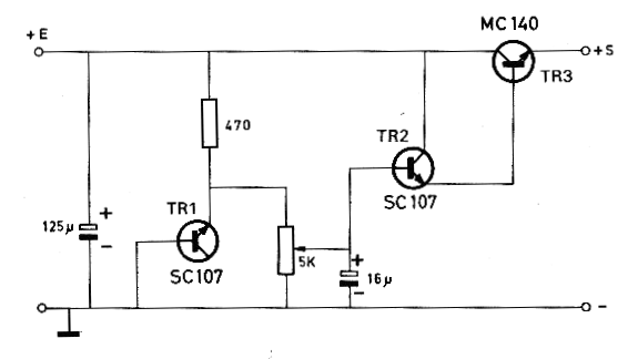
Este circuito fue encontrado en la revista española que ya no existe, en el mundo electrónico, en una edición de febrero de 1972. El circuito puede ser montado con facilidad, bastando cambiar los SC107 por los BC547 y en lugar del MC140, se puede utilizar el BD135. Este circuito aprovecha la unión base-emisor de TR1 como referencia, manteniendo el colector apagado. La entrada puede ser de 12 a 16 V.




