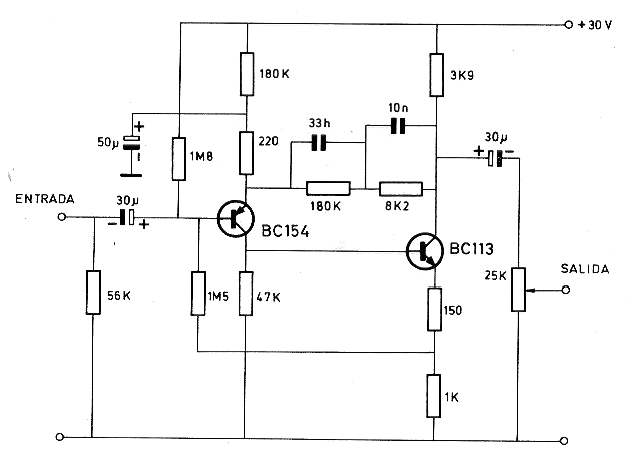
Este circuito fue encontrado en la revista española que ya no existe, en el Mundo Electrónico, en una edición de febrero de 1972. El circuito puede todavía ser montado con facilidad, bastando cambiar el BC154 por un BC559 y el BC113 por un BC548.

Este circuito fue encontrado en la revista española que ya no existe, en el Mundo Electrónico, en una edición de febrero de 1972. El circuito puede todavía ser montado con facilidad, bastando cambiar el BC154 por un BC559 y el BC113 por un BC548.
