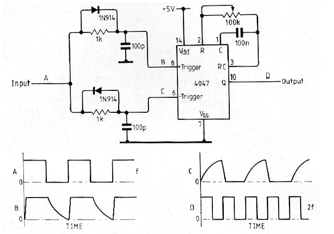
Este circuito fue encontrado en una revista Electronics World de 1990. El circuito puede ser montado actualmente, pues los componentes son comunes de la serie CMOS. La frecuencia máxima de entrada es de algunos megahercios dependiendo de la tensión de alimentación, pues el circuito funciona de 5 a 15 V. Las formas de onda obtenidas se dan en la misma figura.




