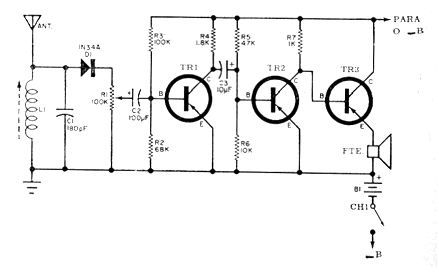
Esta radio experimental de buena sensibilidad fue obtenida en una revista de 1968. La revista ya no existe, pero la radio todavía puede ser montada. La bobina consiste en 100 espiras de hilo 28 en un bastón de ferrita con núcleo móvil para hacer la sintonía. TR1 puede ser un BC548, TR2 un BC558 y TR3 un BD136, La alimentación se puede hacer con tensiones de 3 a 6 V y el circuito requiere una antena.




