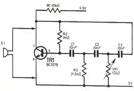
He encontrado este circuito simple una revista inglesa de 1984. El circuito se puede montar fácilmente con el uso de un BC548 en lugar del BC108 original. El circuito produce una señal en la banda de audio. El transductor es un auricular de cristal o del tipo piezoeléctrico.




