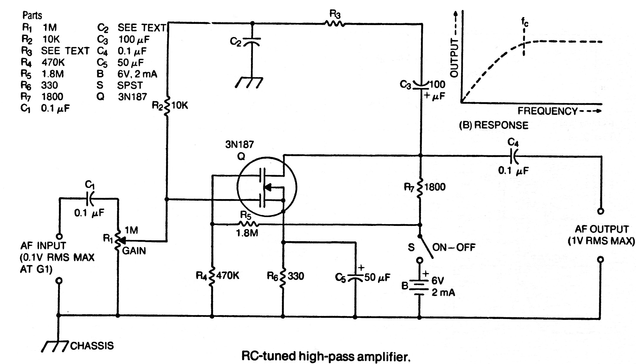
Este circuito fue encontrado en una documentación americana dos años 80. El MOSFET es de doble puerta, difícil de obtener actualmente y el circuito tiene una frecuencia de sintonía determinada por RC. Observe las características de la señal de entrada y de salida.




