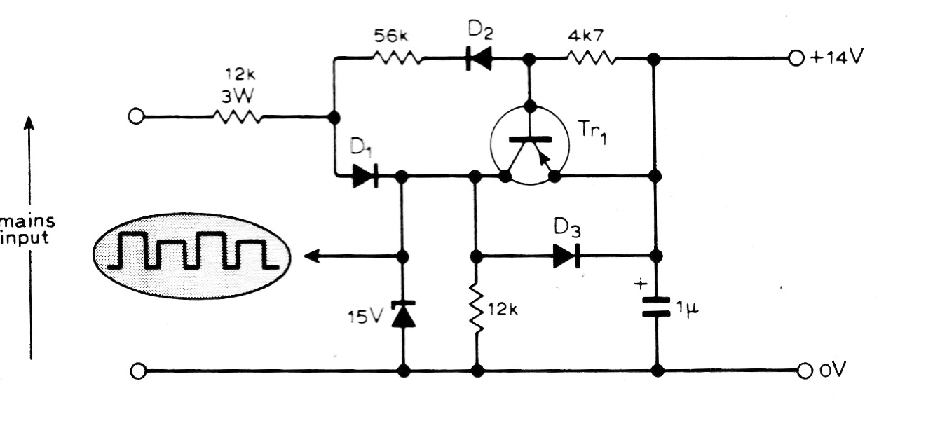
Este circuito de detector de paso por cero o cero crossing detector produce un pulso de salida cada vez que la señal senoidal de entrada pasa por cero. El circuito fue encontrado en una revista de 1977, pero puede ser montado con transistores BC558, diodos 1N4148 y se alimenta con una tensión de 14 V.




