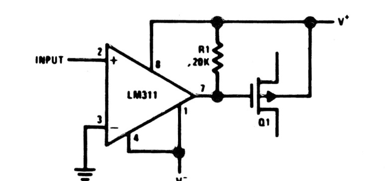
Este circuito es del propio manual del circuito integrado de los años 80. El componente no es común actualmente así como el transistor MOS usado. El circuito puede ser adaptado para aplicaciones modernas.
Este circuito se puede utilizar en el coche, para mantener la luz de cortesía encendida después de la...
Este circuito ayuda a mejorar la recepción de ondas medias y cortas en casos de señales muy...
El circuito mostrado en la figura 1 genera una señal rectangular de baja frecuencia, pero cuyas...