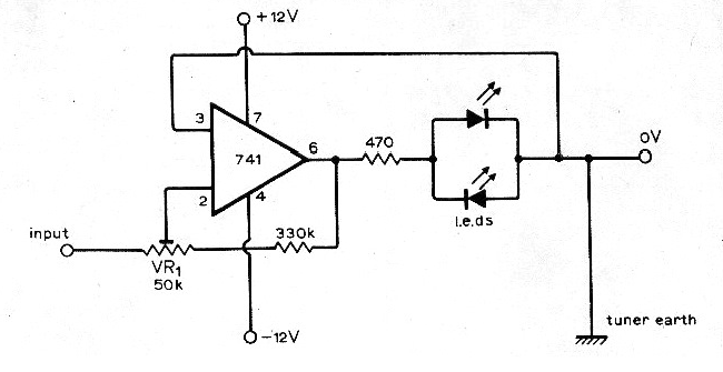
Encontramos este circuito en una revista inglesa de 1975, pero él puede ser montado con facilidad, pues los componentes utilizados son comunes en nuestro mercado. El circuito requiere una fuente simétrica y debe conectarse a la salida del discriminador del receptor. El consumo es muy bajo, del orden de 2 mA.




