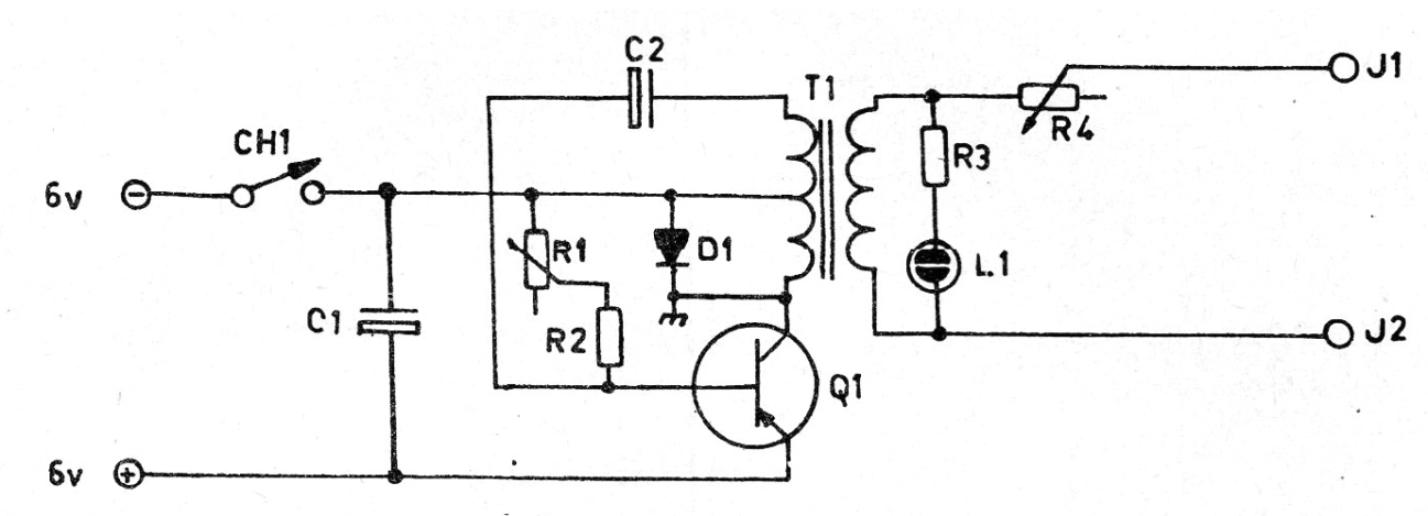
Este circuito es de una antigua revista Radio TV Técnico de la década de los 70, hecha por mi amigo A. Fanzeres, ya fallecido en la época en que recuperé el texto (2011). El artículo describe un pequeño inversor que se puede utilizar para excitar nervios y producir pequeños estímulos o choques. El transistor puede ser el BD135 y lo transforma puede ser de 110 V x 6 + 6 V con corriente de 50 a 250 mA.





