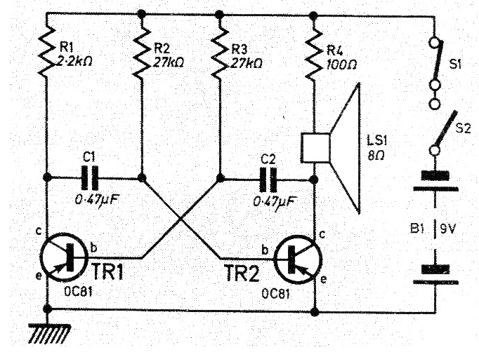
Este circuito fue encontrado en una revista de 1976. El circuito emite un sonido cuando un sensor de balance colocado en una vara de pescar y accionado por el movimiento causado por el pescado atrapado. El circuito es alimentado por pilas y el altavoz es de baja impedancia.




