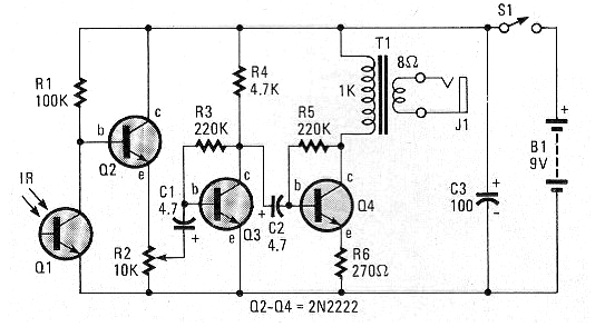
Este circuito fue encontrado en una revista Hands On de 1986. El transformador se puede obtener de una radio transistorizada antigua fuera de uso. Es el transformador de salida que está conectado al altavoz. El circuito es alimentado por batería de 9 V y los transistores admite equivalentes como los BC548. El foto-transistor debe ser dotado de recursos ópticos como una lente, para mayor sensibilidad. R2 es el ajuste de ganancia. El circuito no funcionará bien en ambientes con lámparas fluorescentes debido a su interferencia.




