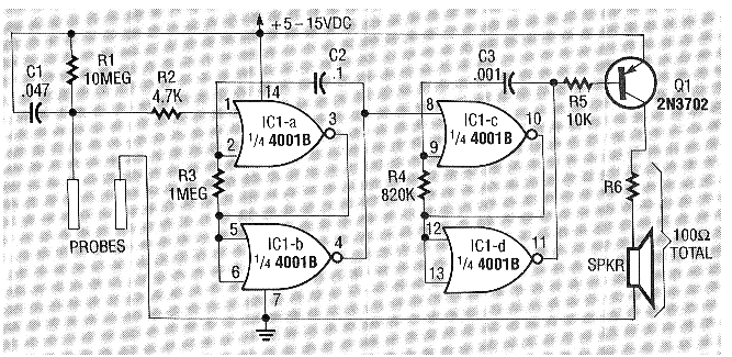
Este circuito fue encontrado en una revista Hands On de 1986. La revista ya no existe, pero el circuito es viable aún en nuestros días. Se trata de un circuito que acciona un oscilador de audio a partir de la señal de un sensor de humedad. El circuito funciona con alimentación de 5 a 15 V y el transistor puede ser el BC548. Se puede usar el BD135 retirando el resistor R6 y obteniéndose así mucho mayor potencia. El sensor puede ser formado por dos barritas de metal enterradas en el suelo para detectar humedad o aún suspendidas para contacto del agua en un depósito. Otra posibilidad es dos pantallas de metal teniendo entre ellas un tejido poroso para detectar fugas. No utilice fuente sin transformador.




