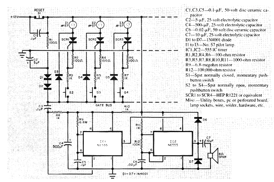
Este circuito salió en el Electronic Experimenter Handbook de 1980, una publicación de la Popular Electronics que ya no existe. El circuito tiene algunos componentes críticos, pero con algunos cambios puede ser montado con equivalente. Así, recomendamos en primer lugar el uso del TIC106 en lugar del SCR original y de lámparas de 12 V con 50 mA o 100 mA. La alimentación debe ser hecha con fuente de 12 V. Quien apriete primero, hace que la lámpara correspondiente encender, inhibiendo las demás. El reset se hace apagando y conectando nuevamente el circuito.




