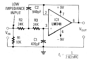
Este circuito salió en la Radio Electronics de más de 1989. La revista ya no existe, pero el circuito es actual. Este circuito deja pasar las señales por debajo de 10 kHz, teniendo una entrada de baja impedancia. La fuente de alimentación debe ser simétrica de 5 a 12 V y la fórmula para calcular los componentes utilizados en función de la frecuencia está junto al diagrama. Vea más sobre el cálculo de este tipo de circuito en la sección de matemáticas del sitio.