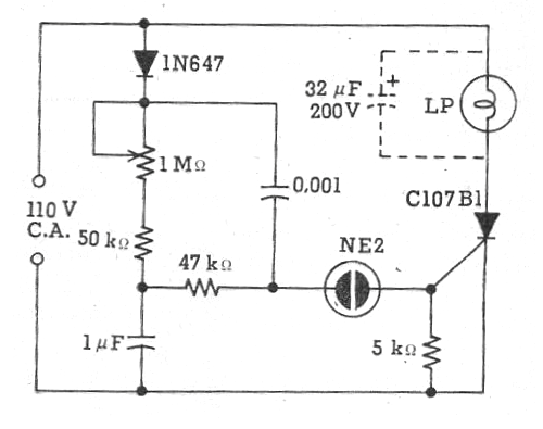
He encontrado este circuito en una revista de 1971. Sin embargo, el circuito es actual si cambiamos el SCR por un TIC106B o D, según la red de energía. El circuito funcionará con lámparas incandescentes sólo con una potencia de hasta 200 W. El SCR debe estar dotado de radiador de calor. El diodo puede ser el 1N4004 o 1N4007 según la red de energía. La banda de frecuencias es dada por el capacitor de 1 uF. La función del capacitor de 32 uF (opcional) es aumentar la intensidad de los intermitentes, ya que el circuito de media onda.




