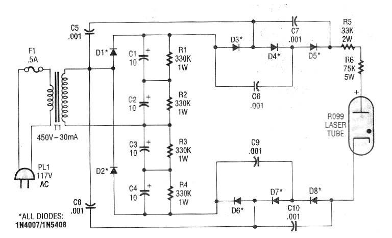
He encontrado este circuito en una Popular Electronics de junio de 1993, salva de inundación (de ahí el escaneado un tanto como borrado). Se trata de una fuente que proporciona la MAT de cerca de 1200 V necesaria la alimentación de un láser de gas Hélio -Neón (He-Ne) de 1 mW con una corriente de 3,7 mA. El circuito utiliza un transformador con primario de acuerdo con la red y secundario de 430 V. Este tipo de transformador se puede encontrar en algunos equipos de válvulas antiguos. Los capacitores del multiplicador son para 600 V o más, cerámicos.




