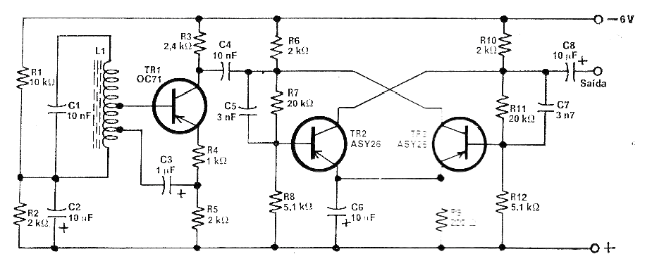
Me encontré este circuito en una revista francesa Radio Constructeur de 1968, salva de inundación (de ahí el escaneado un tanto como borrado). Este circuito utiliza un oscilador Hartley modulando un multivibrador. La bobina consiste en 400 espiras de hilo 30 AWG en un bastón de ferrita con toma en la 42ª y 102ª espira. La alimentación se realiza con 6 V y los transistores pueden ser los BC558. Los resistores pueden ser tocados por valores comerciales actuales, así como los capacitores.




