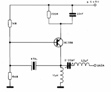
Este circuito puede servir de base para pequeños transmisores, tanto usado en comunicadores como control remoto o transmisión de datos. El circuito operará en la frecuencia del cristal utilizado y el ajuste del mejor rendimiento se hace en el trimmer que casa la salida del oscilador con la entrada del paso siguiente. La alimentación puede ser hecha con tensiones de 5 a 9 V y transistores equivalentes pueden ser utilizados, incluyendo NPN con la inversión de la polaridad de la alimentación.




