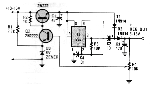
Este circuito fue encontrado en una revista Hands On Electronics de octubre de 1987. Se trata de un convertidor-doblador que a partir de entradas de 10 a 12 V puede proporcionar 18 V de salida bajo régimen de baja corriente, algo alrededor de 20 mA de máximo.




