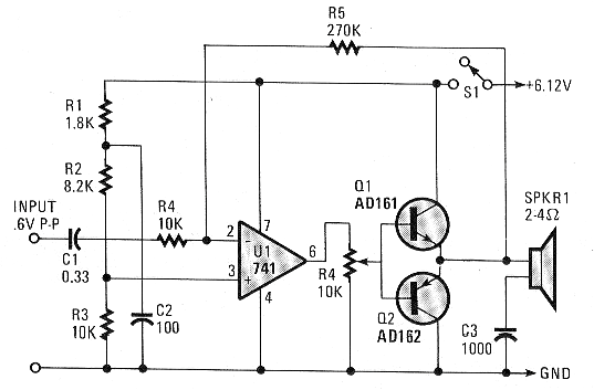
Este circuito fue encontrado en una revista Hands On Electronics de octubre de 1987. Se compone de un amplificador de audio de algunos vatios con un componente complementario antiguo, el AD161 y el AD62. En una versión moderna podemos usar en su lugar el par BD135 y BD137. La alimentación no necesita ser simétrica y el punto de funcionamiento se ajusta en el potenciómetro.




