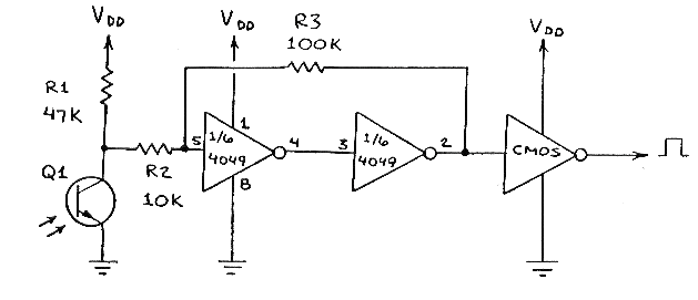
Este circuito es de una revista Computer Craft de los Estados Unidos, edición de agosto de 1991. Esta revista ya no existe, pero el circuito puede ser montado con facilidad sirviendo para interfaz de foto-transistores con lógica CMOS.

Este circuito es de una revista Computer Craft de los Estados Unidos, edición de agosto de 1991. Esta revista ya no existe, pero el circuito puede ser montado con facilidad sirviendo para interfaz de foto-transistores con lógica CMOS.
