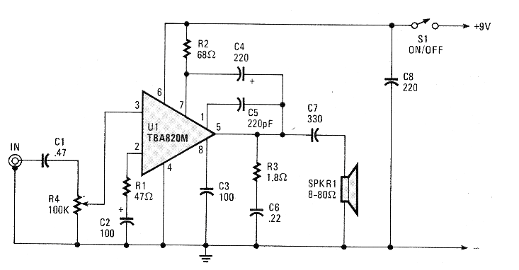
Este circuito fue encontrado en una edición de 1987 de la revista Hands On Electronics de Estados Unidos. La revista ya no existe, pero el circuito puede ser montado con facilidad, siempre que el circuito integrado sea obtenido, ya que se trata que poco a poco va saliendo de línea. Este amplificador proporciona algunos cientos de miliwatts siendo ideal para intercomunicadores, receptores experimentales y juguetes.




