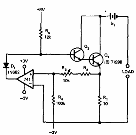
Esta fuente de corriente constante fue obtenida en una documentación americana de 1973. Los transistores pueden ser los BC548 y la corriente tiene su intensidad ajustada en R3. El diodo D1 puede ser un 1N4148 y el circuito se puede cambiar para operar con otras tensiones. La fuente de alimentación debe ser simétrica.




