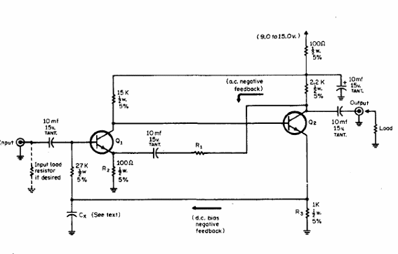
El circuito presentado es de una publicación de 1972. Los transistores pueden ser tipos actuales como los 2N2222. La ganancia es ajustada por el valor de R1 pudiendo quedar entre 38 y 44 dB. La carga es de 1 k ohms y la amplitud máxima de la señal es de 1 Vpp. Entre las aplicaciones para este circuito podemos citar el uso con foto-diodos y otros sensores. Cx puede ser un capacitor de 100 pF, preferiblemente de mica.




