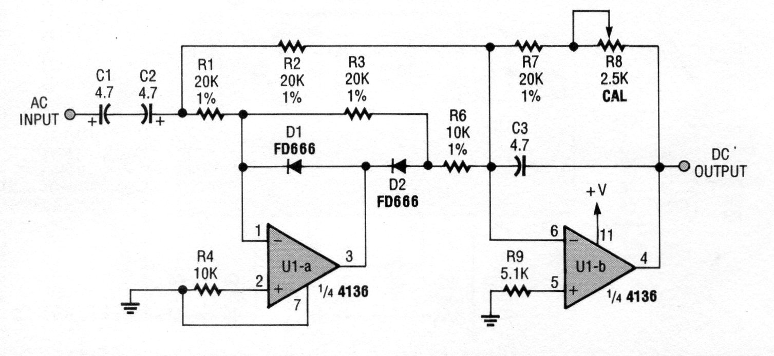
Este circuito es de una documentación de la década de 80. El amplificador doble usado es similar al 741, pudiendo ser reemplazado. El circuito debe ser alimentado por una fuente simétrica.
Este amplificador de guitarra a transistores apareció en la revista Radio Electronics en noviembre de...
Este circuito de Texas Instruments de 1968 usa diacs de la época. Los SCR pueden ser equivalentes...
El Variable Frequency Oscillator (VFO) o el oscilador de frecuencia variable que se muestra en la...