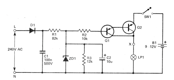
Cuando falta tensión en la red de energía, el circuito hace que una lámpara se encienda. El circuito puede ser modificado para accionar un LED de alto brillo con un resistor de 100 ohms en serie y aún R1 puede ser cambiado para operación en la red de 110 V. Q1 puede ser un BC558 y Q2 un BD136 o TIP32, conforme la corriente de la corriente lámpara. ZD1 es un zener de 12 V.




