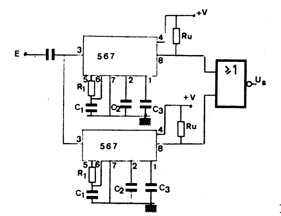
Utilizando dos PLLs 567, este circuito reconoce dos tonos de audio en secuencia proporcionando una señal a una salida lógica. El circuito puede ser alimentado con 5 V funcionando como escudo. R1 y C1 determinan el tono y los demás condensadores son de 10 nF a 100 nF.




