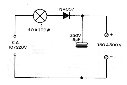
Las corrientes de algunos cientos de miliampères bajo tensiones de 150 V (red de 110 V) o 300 V (red de 220 V) pueden obtenerse de la fuente indicada. La corriente máxima depende de la lámpara utilizada. El condensador debe tener tensiones elevadas de aislamiento. Observamos que esta fuente debe ser utilizada con extremo cuidado, pues no tiene aislamiento alguno de la red de energía, pudiendo causar choques peligrosos.




