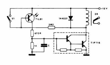
El circuito foto-disparador mostrado en la figura tiene suficiente potencia para accionar un relé de 12 V con corriente hasta 2 A. Se pueden utilizar otras cargas como motores y solenoides. El foto-transistor se puede sustituir por equivalentes. Observe la polaridad invertida de la fuente de alimentación y del diodo, ya que estamos trabajando con un transistor Darlington PNP. Para corrientes superiores a 100 mA en el accionamiento, el transistor debe estar dotado de radiador de calor.




